+7 (495) 777-17-71
info@tool-tech.ru
8 (800) 775 40 55
Звонок из регионов России
бесплатный!
бесплатный!
Профессиональный строительный инструмент и оборудование
Каталог инструментов
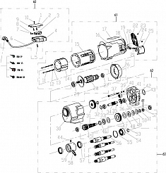
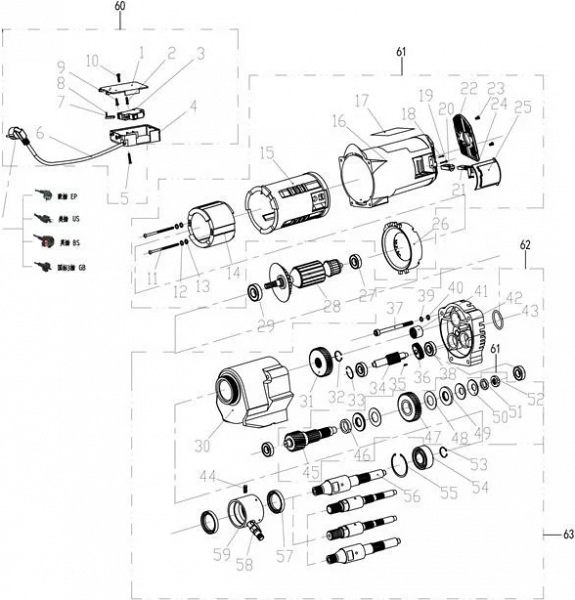
Установка для алмазного бурения Saturn OB-205B
Установка для алмазного бурения Saturn OB-205B (Сатурн ОБ-205Б) предназначена для сверления круглых отверстий Ø 20 – 205 мм в бетонных, железобетонных, базальтовых, асфальтовых и других поверхностях под трубы вентиляции, теплоснабжения, водоснабжения и подобных коммуникаций, под углом 90° – 45°, с подачей воды.
Производитель: SATURN (САТУРН) – Россия.
Преимущества установки для алмазного бурения Saturn OB-205B:
- Корпус двигателя из алюминия хорошо отводит тепло во время работы
- Встроенная механическая и электронная защита от перегрузок
- Надежная стальная стойка
- Наклонная станина
- Небольшой вес
- Рукоятка для переноса
- Поставляется в картонной коробке
Цена и технические характеристики установки для алмазного бурения Saturn OB-205B:
Оборудование для алмазного бурения
- Установка алмазного бурения
- Установка алмазного бурения с микроударом
- Дрель алмазного сверления
- Дрель с микроударом для алмазного бурения
- Керноотборник для асфальтобетона
- Двигатель алмазного бурения
- Двигатель алмазного бурения с микроударом
- Станина для алмазного бурения
- Станина для алмазного бурения с микроударом
- Алмазные коронки
- Доп. оборудование к технике алмазного бурения
-
Алмазные коронки по железобетону Kern Diamond Bit Concrete Premium 102 ммДиаметр: 102 ммРабочая длина: 450 ммЦена: 11 600 руб.
-
Алмазные коронки по железобетону Kern Diamond Bit Concrete Premium 112 ммДиаметр: 112 ммРабочая длина: 450 ммЦена: 12 100 руб.
-
Алмазная коронка для сухого бурения с микроударом Адель Diamond Hit DH-D400 132 ммДиаметр: 132 ммРабочая длина: 450 ммЦена: 9 600 руб.
-
Алмазная коронка для сухого бурения с микроударом Адель Diamond Hit DH-D401 172 ммДиаметр: 172 ммРабочая длина: 450 ммЦена: 15 600 руб.
-
Алмазная коронка для сухого бурения с микроударом Адель Diamond Hit DH-D400 72 ммДиаметр: 72 ммРабочая длина: 450 ммЦена: 6 400 руб.
-
Алмазная коронка для сухого бурения с микроударом Адель Diamond Hit DH-D400 132 ммДиаметр: 132 ммРабочая длина: 450 ммЦена: 9 600 руб.
-
Алмазная коронка для сухого бурения с микроударом Адель Diamond Hit DH-D400 52 ммДиаметр: 52 ммРабочая длина: 450 ммЦена: 4 700 руб.
-
Алмазные коронки по железобетону Kern Diamond Bit Concrete Premium 107 ммДиаметр: 107 ммРабочая длина: 450 ммЦена: 11 900 руб.
Новости
-
26.11.2025Новые поступления для серьёзной работы: спираль и адаптер от Crocodile
-
21.11.2024Поступление желобонакатчиков GruvMaster - Новинка на Российском рынке!
-
27.12.2023С новым 2024 годом!
-
20.12.2022Режим работы в Новогодние праздники
-
12.10.2022ФСБ сообщила о попытке теракта с ПЗРК «Игла» в Подмосковье




Отзывы
Оставьте Ваш отзыв